싸이트주소  (마이페이지) 

 

























카테고리 : 콤바인    트렉타   이앙기   경운기   관리기   나머지  


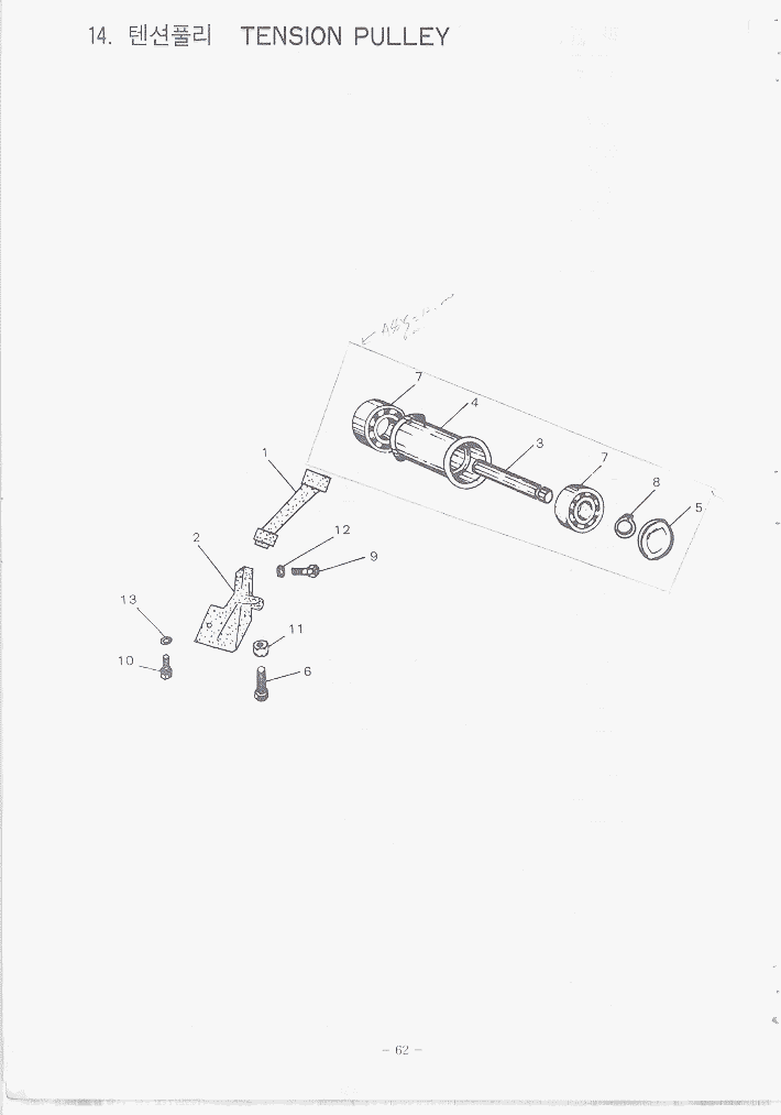
현재위치 : Home >> 경운기 >> 국제경운기 >> 등록책자 >> 구형_KD60B/KD-8/120(E)/140(E) >> 밋션_KT-8(E)/KT10(E) >> 부품도
목차 | 설명서 | 부품도 |