싸이트주소
(마이페이지)
카테고리 :
■
콤바인
■
트렉타
■
이앙기
■
경운기
■
관리기
■
나머지
현재위치 :
Home
>>
이앙기
>>
국제이앙기
>>
등록책자
>>
RR600N
>>
조작168~193
목차
|
엔진80~97
|
유압전장98~113
|
밋숀114~135
|
주행136~150
|
프레임151~167
|
조작168~193
|
식부194~231
|
지지232~241
|
묘탑재242~257
|
에비258~273
|
*엔진부
1.실린더블럭----------------------80
2.실린더헤드,본네트----------------82
3.에어플리너----------------------84
4.크랭크축,피스톤, 캠축-------------86
5.F0파이프-----------------------88
6.기화기-------------------------90
7.가버너, 컨트롤러-----------------92
8.시동모터, 발전기-----------------94
9.플라이휠마그넷,시동장치----------
96
*유압,전장품부
1.엔진관련-----------------------98
2.연료-------------------------100
3.유압펌프----------------------101
4.컨트롤밸브--------------------102
5.승강실린더--------------------104
6.PS밸브,PS실린더---------------105
7.PS 유압배관-------------------106
8.전장품1-----------------------108
9.전장품2-----------------------110
13.전장품3----------------------
112
*미션부
15.입력구동---------------------114
16.주플러치---------------------116
17.미션케이스-------------------118
18.입력축-----------------------120
19.부변속축1--------------------122
20.부변속축2--------------------124
21.주행변속축, 출력축-------------126
22.펌프구동축--------------------127
23.브레이크---------------------128
24.주간변속, 출력축---------------130
25.M-주변속,부변속조작-----------132
26.M-식부플러치, 주간변속조작-----
134
*주행부
27.전륜 차축케이스---------------136
28,스윙서포트-------------------138
29.전륜전동축,스파이럴피니언------139
30.전륜차동케이스축--------------140
31.전륜구동축, 전차축------------141
32.후륜차축케이스---------------142
33.후륜전동축-------------------144
34.후륜차동케이스---------------145
35.후륜파이널축-----------------146
36.차동로크---------------------147
37.후차륜850--------------------148
41.타이어600--------------------149
45.식부전동---------------------
150
*프레임,외장부,배선도
46.센터프레임,하부프레임----------151
47.프런트범퍼-------------------152
48.프런트프레임-----------------153
49.사이드커버 (하)---------------154
50.승강링크---------------------156
51.본네트-----------------------158
52.조작판넬---------------------160
53.컬럼커버---------------------162
55.발판-------------------------164
56.보조발판,발판스테이------------166
57.후륜펜더---------------------
167
*엔진조작부
59.의자------------------------168
60,스티어링기어케이스PS---------170
61.스티어링기어게이스 구동PS-----172
62.트랙로드--------------------174
63.스티어링, 고정레버------------176
64.속도감응형PS----------------178
65.주클러치조작-----------------180
66.브레이크(페달, 로드,주차)-------182
67.차동고정페달-----------------184
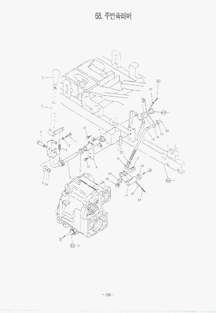
68.주변속레버-------------------186
69.부변속조작-------------------188
70.증속페달, 주클러치조작---------190
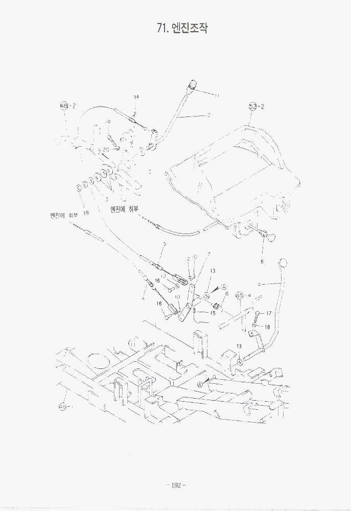
71.엔진조작---------------------
192
*식부구동부
72.주수변속조작---------------------194
73.부주수조작----------------------195
74.수퍼시프트레버암-----------------196
75.P.T.0 플러치암-------------------198
76.유닛를어치 조작암-----------------200
77.밸브취부판----------------------201
78.후진연동승강--------------------202
79.밸브증치레버--------------------203
80.자동리턴------------------------204
81.밸브암 감도조절------------------206
82. 마커조작-----------------------208
83.식부케이스----------------------210
84.식부체인케이스------------------211
85.고정보스B----------------------212
87 연결파이프----------------------214
89.식부구동센터, 전동축-------------216
90.체인케이스구동B-----------------218
94.횡이송구동---------------------220
95 캠구동-------------------------222
96.횡이송변환---------------------224
98.유닛클러치---------------------226
99.로터케이스---------------------228
100.식부암, 식부조-----------------
230
*식부지지부
102.식부히치----------------------232
103. 롤링레버---------------------234
106.센터플로트--------------------236
107.사이드플로트------------------237
108.식부깊이----------------------238
109.유압센서----------------------240
110.묘취조절----------------------
241
*묘탑재대부
Ill.묘듣재대------------------------242
113.연장묘듣개재-------------------244
114.묘스터퍼----------------------245
115.묘매트누름--------------------246
117.서브묘매트누름----------------248
118.묘대암-----------------------249
119.증이송구동--------------------250
121.종이송클러치------------------252
122.가이드레일--------------------254
125.사이드프레임------------------256
126.사이드범퍼--------------------
257
예비묘대, 마트,웨이트부
127.예비묘대 프레임----------------258
129.예비묘대----------------------259
132.선긋기 마터--------------------260
133.센터안내봉.사이드안내봉----------262
134.흙막이판-----------------------264
135.프런트 웨이트-------------------266
136.웨이트 스테이-------------------267
*명판부
137.명판1-------------------------268
138.명판2-------------------------270
139.부대품(부대부품)----------------
272