싸이트주소  (마이페이지) 

 

























카테고리 : 콤바인    트렉타   이앙기   경운기   관리기   나머지  


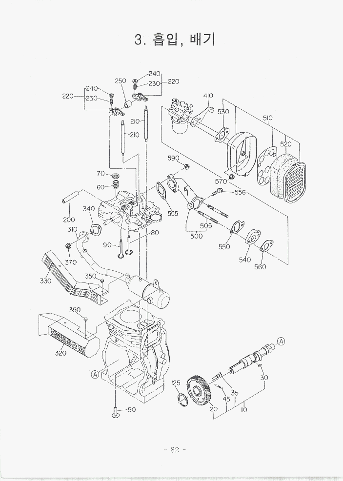
현재위치 : Home >> 이앙기 >> 국제이앙기 >> 등록책자 >> RR-4_4A_4B_2005.03 >> 엔진부78~95/172_173
목차 | 사진 | 설명서 | 엔진부78~95/172_173 | 밋션부96~108 | 주행부109~129 | 식부부130~145 | 묘탑재부146~156 | 핸들부157~171 | 카바및기타174~193 | 4A엔진부196~203 | 4B엔진부206~211 |