싸이트주소  (마이페이지) 

 

























카테고리 : 콤바인    트렉타   이앙기   경운기   관리기   나머지  


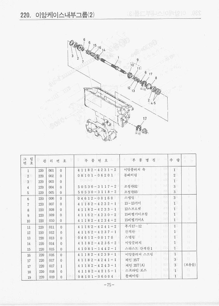
현재위치 : Home >> 이앙기 >> 대동이앙기 >> 등록책자 >> DP470F_시비겸용 >> 60~80
목차 | 사진 | 설명서 | 47~59 | 60~80 | 81~88 | 89~96 | 97~107 | 108~120 | 121~128 |